Pengubah Berpotensi PT
Pengubah Potensi Fasa Tunggal Voltan Tinggi 33kv
  • Pengubah Potensi Fasa Tunggal Voltan Tinggi 33kvPengubah Potensi Fasa Tunggal Voltan Tinggi 33kv

Pengubah Potensi Fasa Tunggal Voltan Tinggi 33kv

Wenzhou XiFa Electric Power Equipment Co., Ltd adalah pengeluar berpengalaman untuk menghasilkan 33kv voltan tinggi potensi transformer fasa tunggal dan pengubah arus. Wenzhou XiFa menggunakan resin berkualiti tinggi untuk mencapai prestasi yang lebih baik pada penebat, seperti operasi jangka panjang di bawah voltan tinggi tanpa kerosakan atau nyahcas separa. Setiap pengubah potensi fasa tunggal voltan tinggi 33kv adalah perlu untuk menuang resin epoksi di bawah keadaan vakum untuk mencapai hayat perkhidmatan yang lebih lama kepada 20 atau 30 tahun. Sebelum penghantaran, spesifikasi teknikal asas adalah penting untuk mengukur seperti kekerapan kuasa menahan voltan, nyahcas separa, rintangan penebat, ketepatan, kekutuban dan kenaikan suhu.

Ciri-ciri produk:

1. Dari segi struktur, pengubah potensi fasa tunggal voltan tinggi 33kv boleh dianggap sebagai pengubah kuasa step down berkapasiti kecil dan nisbah tinggi. Walau bagaimanapun, tidak seperti pengubah kuasa,  apengubah berpotensitidak memindahkan tenaga untuk bekalan beban. Sebaliknya, ia memainkan peranan penting dalam pengukuran dan perlindungan.

2. Litar sekunder disambungkan kepada alat pengukur, geganti pelindung, dan peranti automatik yang gegelung voltannya memberikan impedans yang sangat tinggi dan pada asasnya tetap. Akibatnya, arus sekunder adalah minimum, sama dengan keadaan tanpa beban pengubah kuasa. Penggunaan kuasa pengubah potensi fasa tunggal voltan tinggi 33kv adalah sangat rendah, dan voltan sekunder kekal praktikal sama dengan EMF teraruh, yang ditentukan oleh voltan primer malar. Ia memastikan tahap ketepatan yang diperlukan untuk pengukuran voltan.

3. Penggulungan sekunder pengubah berpotensi tidak boleh litar pintas. Di bawah operasi biasa, beban pengubah potensi fasa tunggal voltan tinggi 33kv adalah peranti impedans tinggi, tetapi jika litar pintas berlaku, satu-satunya faktor pengehad ialah impedans penggulungan. Ini boleh membawa kepada arus litar pintas yang terlalu tinggi, menyebabkan bacaan meter yang salah, operasi geganti palsu, atau kerosakan kekal pada pengubah kuasa.

4. Terminal kedua-dua belitan sekunder dan belitan jujukan sifar mesti dibumikan. Jika tidak dibumikan, kerosakan pada sistem utama boleh menyebabkan voltan tinggi yang berbahaya pada belitan ini, yang menimbulkan risiko serius kepada instrumen yang disambungkan, geganti dan keselamatan kakitangan.

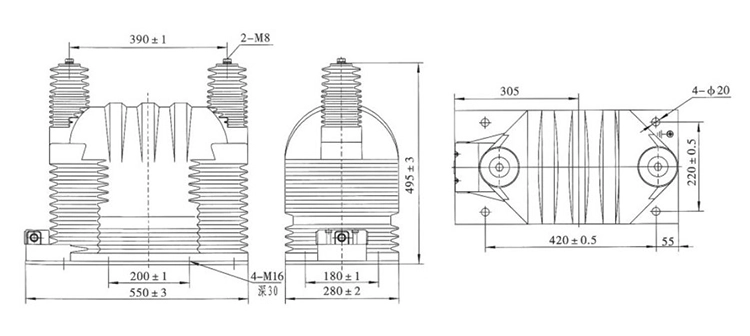
33kv High Voltage Single Phase Potential Transformer

Spesifikasi Teknikal:

taip Nisbah Voltan Terkadar (kV) Kelas Ketepatan Kelas Ketepatan dan Output Berkadar cosΦ=0.8 Maks. Output (VA)
0.2 0.5 1 3
JDZ9-35Q 35/0.1 0.2 0.5 1 3 30 120 240 600 1200
35/0.1/0.1 0.2/0.2(0.5) 30 30 T/A T/A 600
0.5/0.5 T/A 60

33kv High Voltage Single Phase Potential Transformer

Soalan Lazim Produk:

S: Apakah beban terkadar bagi pengubah potensi satu fasa voltan tinggi 33kv?

J: Beban undian biasanya berkisar antara 25 VA hingga 200 VA bergantung pada aplikasi. Ia memastikan ketepatan yang stabil untuk alat pengukur dan geganti perlindungan tanpa membebankan pengubah.


S: Bagaimanakah pengubah potensi fasa tunggal voltan tinggi 33kv dibumikan?

J: Penggulungan sekunder biasanya dibumikan pada satu titik untuk mengekalkan potensi rujukan dan untuk memastikan keselamatan. ia membantu mengelakkan voltan terapung dan mengurangkan risiko kegagalan penebat.


S: Bolehkah PT satu fasa disambungkan untuk pengukuran tiga fasa?

A: Sudah tentu. Untuk sistem tiga fasa, tiga PT fasa tunggal boleh disambungkan dalam susunan bintang atau delta terbuka, yang bergantung kepada sama ada voltan fasa penuh ke fasa dan fasa ke tanah perlu dipantau atau tidak.




Teg Panas: Pembekal Transformer Potensi Fasa Tunggal Voltan Tinggi 33kv, Pemborong Transformer Fasa Tunggal Voltan Tinggi, Pengeluar Transformer Potensi Industri
Hantar Pertanyaan
Maklumat Hubungan

Untuk mendapatkan sebut harga anda ASAP

XiFa-pembekal peralatan elektrik anda yang boleh dipercayai
X
Kami menggunakan kuki untuk menawarkan anda pengalaman menyemak imbas yang lebih baik, menganalisis trafik tapak dan memperibadikan kandungan. Dengan menggunakan tapak ini, anda bersetuju dengan penggunaan kuki kami. Dasar Privasi
Tolak Terima