Pengubah Berpotensi PT
13.8 Kv Pengubah Potensi Fasa Tunggal dalam Pencawang
  • 13.8 Kv Pengubah Potensi Fasa Tunggal dalam Pencawang13.8 Kv Pengubah Potensi Fasa Tunggal dalam Pencawang

13.8 Kv Pengubah Potensi Fasa Tunggal dalam Pencawang

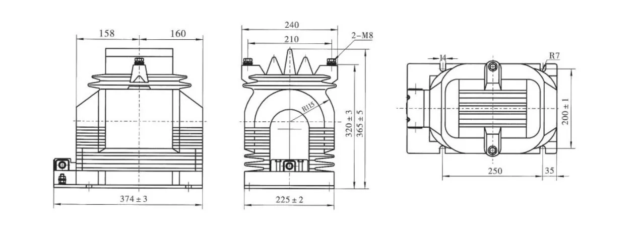
Untuk menghasilkan pengubah berpotensi fasa tunggal 13.8 kv yang boleh dipercayai di pencawang, Wenzhou XiFa Electric Power Equipment Co., Ltd mengguna pakai keluli elektrik premium CRGO sebagai bahan teras utama untuk mengurangkan nilai kehilangan dan meningkatkan kelas ketepatan, dan dawai tembaga enamel kekuatan tinggi sebagai bahan utama gegelung untuk memastikan nisbah lilitan dan pusingan untuk penebat pusingan melalui penggulungan ketepatan. Lebih-lebih lagi, setiap pengubah potensi fasa tunggal 13.8 kv dalam pencawang mengamalkan proses penghasilan tuangan vakum resin epoksi untuk membuat struktur pepejal keseluruhan yang tidak mudah menyerap lembapan, yang sesuai untuk persekitaran yang panas, lembap dan berdebu.

Ciri-ciri produk:

Transformer Potensi Fasa Tunggal 13.8 Kv dalam Pencawang direka untuk menurunkan voltan primer 13.8 kv kepada voltan sekunder standard, seperti 100 atau 110 volt. Voltan yang dikurangkan kemudiannya dibekalkan kepada belitan selari untuk mengukur instrumen dan geganti pelindung, membolehkan pengukuran voltan primer dibuat secara tidak langsung dengan instrumen voltan rendah. Pendekatan sedemikian memudahkan reka bentuk instrumen, menjimatkan kos, dan memastikan keselamatan kedua-dua peralatan dan kakitangan operasi.


Prinsip kerja pengubah potensi fasa tunggal 13.8 kv adalah sama seperti pengubah pengagihan kuasa, di mana nisbah transformasi ditentukan oleh bilangan lilitan dalam gegelung primer dan sekunder. Menambah bilangan lilitan sekunder mengurangkan nisbah, manakala menambah bilangan lilitan primer menaikkannya. Adalah penting untuk ambil perhatian bahawa dalam apa jua keadaan sekalipun, litar sekunder pengubah potensi fasa tunggal 13.8 kv tidak boleh dilitar pintas semasa operasi.

13 8 Kv Single Phase Potential Transformer In Substation

Spesifikasi Teknikal:

taip Nisbah Voltan Terkadar (kV) Kelas Ketepatan Kelas Ketepatan dan Output Berkadar cosΦ=0.8 Maks. Output (VA)
0.2 0.5 1 6(P)
JDZ11-15 (15/√3)/(0.1/√3)/(0.1/3) 0.2/6P 0.5/6P 1/6P 30 80 150 100 400
JDZ11-20 (20/√3)/(0.1/√3)/(0.1/3)
JDZ11-15 (15/√3)/(0.1/√3)/(0.1/√3)/(0.1/3) 0.2/0.2/6P 0.2/0.5/6P 15 20 T/A 100 2*200
JDZX11-20 (20/√3)/(0.1/√3)/(0.1/√3)/(0.1/3)

13 8 Kv Single Phase Potential Transformer In Substation

Soalan Lazim Produk:

S: Bagaimanakah pengubah potensi fasa tunggal 13.8 kv berbeza daripada pengubah kuasa 13.8 kv?

J: Walaupun kedua-duanya adalah peranti penukar voltan, pengubah potensi fasa tunggal 13.8 kv direka untuk pengukuran dan perlindungan dan bukannya pemindahan kuasa. Beban terkadarnya agak kecil, biasanya dinyatakan dalam VA, manakala pengubah kuasa mengendalikan beban dalam nilai yang lebih besar yang dikira dalam kVA atau MVA.


S: Apakah kaedah penebat yang digunakan pada pengubah potensi fasa tunggal 13.8 kv?

A: Kebanyakanpengubah berpotensipada tahap voltan ini menggunakan penebat tuang resin epoksi untuk perkhidmatan dalaman atau perumah porselin/silikon untuk pemasangan luar. Sesetengah reka bentuk menggunakan penebat terendam minyak untuk mencapai hayat perkhidmatan yang dilanjutkan dan kapasiti haba yang lebih tinggi.


S: Bagaimanakah transformer berpotensi fasa tunggal 13.8 kV disambungkan di pencawang?

J: Untuk pengukuran fasa ke tanah, primer PT disambungkan antara satu fasa dan tanah. Dalam sistem tiga fasa, satu set PT fasa tunggal atau unit PT tiga fasa boleh digunakan untuk mengukur voltan talian ke talian dan garisan ke tanah.


S: Apakah isu yang boleh timbul dengan pengubah berpotensi fasa tunggal 13.8 kV di pencawang?

J: Masalah biasa termasuk kemerosotan penebat, feroresonans dalam keadaan pensuisan tertentu, terlalu panas akibat beban yang berlebihan dan keadaan terbuka litar sekunder yang boleh menyebabkan voltan tinggi yang berbahaya.



Teg Panas: 13.8 Kv Penukar Potensi Fasa Tunggal dalam Pembekal Pencawang, Borong Penukar Potensi Pencawang
Hantar Pertanyaan
Maklumat Hubungan

Untuk mendapatkan sebut harga anda ASAP

XiFa-pembekal peralatan elektrik anda yang boleh dipercayai
X
Kami menggunakan kuki untuk menawarkan anda pengalaman menyemak imbas yang lebih baik, menganalisis trafik tapak dan memperibadikan kandungan. Dengan menggunakan tapak ini, anda bersetuju dengan penggunaan kuki kami. Dasar Privasi
Tolak Terima