CT Transformer Arus
Jenis Luka 5p10 5p20 Ct 100 150 400 5a
  • Jenis Luka 5p10 5p20 Ct 100 150 400 5aJenis Luka 5p10 5p20 Ct 100 150 400 5a

Jenis Luka 5p10 5p20 Ct 100 150 400 5a

Untuk membekalkan pengubah berpotensi berkualiti tinggi dan pengubah arus, Wenzhou XiFa Electric Power Equipment Co., Ltd menyokong perkhidmatan tersuai kepada pelanggan seperti menghasilkan dan membekalkan jenis luka 5p10 5p20 ct 100 150 400 5a. Dalam WenZhou XiFa elektrik, pasukan pengeluar menyimpan inventori untuk pengubah arus jenis biasa, seperti pengubah arus 100/5a 10p10 0.5, untuk memastikan penghantaran cepat. Bagaimanapun, syarikat menyokong perkhidmatan tersuai untuk memenuhi pelbagai permintaan elektrik seperti pengubah arus bekalan yang kelas perlindungannya ialah 5p10 atau 5p20.

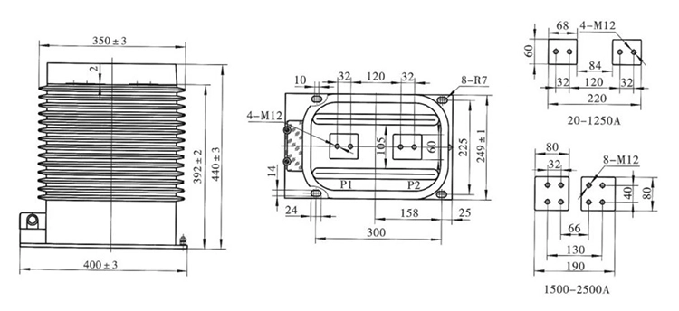
Pengubah arus jenis luka direka untuk pengukuran dan perlindungan arus yang boleh dipercayai dalam sistem kuasa voltan sederhana seperti 10kv 20kv dan 35kv. Tersedia dalam nisbah semasa 100/5A, 150/5A dan 400/5A, dan dengan kelas ketepatan perlindungan 5P10 dan 5P20, jenis luka ini 5p10 5p20 ct 100 150 400 5a menyediakan aplikasi keluaran arus sekunder yang tepat sesuai untuk kedua-dua mengukur, meter geganti pelindung.

Dihasilkan dengan teras magnet pepejal dan gegelung sekunder, pengubah arus jenis luka memastikan prestasi yang stabil dalam keadaan litar pintas dan menyampaikan perubahan arus yang tepat walaupun semasa kejadian sementara. Sistem penebatnya yang teguh, selalunya menggabungkan resin epoksi atau gred tinggi, memastikan keselamatan, hayat perkhidmatan yang panjang, dan ketahanan terhadap kelembapan dan tekanan persekitaran.

Reka bentuk jenis luka membolehkan pemasangan fleksibel dalam suis, panel kawalan dan papan pengedaran, untuk menyediakan sokongan yang boleh dipercayai untuk skim perlindungan geganti. Pengubah arus jenis luka sesuai untuk loji industri, kemudahan komersial dan rangkaian pengedaran utiliti di mana pengukuran arus yang tepat dan boleh dipercayai adalah penting untuk pemantauan operasi dan kawalan perlindungan.

Wound Type 5p10 5p20 Ct 100 150 400 5a

Spesifikasi Teknikal:

taip Arus Berkadar Utama (A) Kelas Ketepatan Kelas Ketepatan dan Output Berkadar cosΦ=0.8 Arus terma Masa Shory (kA/S) Arus Dinamik Dinilai (kA)
0.2 (s) 0.5 (s) 10P10
LZZBJ9-35 20-100 0.2/0.2 0.2/0.5 0.2/5P20 0.5/5P20 0.2/0.5/5P 0.2/5P/5P 10 10 15 150I1n 375I1n
150-200 31.5 80
300-500 31.5/2 80
600-1250 15 30 20 31.5/4 80
1500-2000 20 40 30 40/4 125
2500 20 40 20 40/4 125


taip Arus Berkadar Utama (A) Kelas Ketepatan Kapasiti (VA) Arus terma Masa Shory (kA/S) Arus Dinamik Dinilai (kA)
LZZBJ9-35 10 0.2/10P10 0.5/10P10 0.2/5P20 0.5/5P20 0.2/0.5/10P10 0.2/0.5/5P20 0.2/10P10/5P20 0.5/10P10/5P20 15/20 20/20 15/20 20/20 15/20/20 15/20/20 15/20/20 20/20/20 1.5/1 3.75
20 2/1 5
30 3/1 7.5
40 4/1 10
50 5/1 12.5
75 7.5/1 18.75
100 10/1 25
150 15/1 37.5
200 20/1 50
300 31.5/1 80
400 31.5/2 80
500 31.5/2 80
600 31.5/2 80
800 31.5/3 80
1000 31.5/3 80
1200 31.5/3 80
1500 31.5/3 80
2000 31.5/3 80

Wound Type 5p10 5p20 Ct 100 150 400 5a

Soalan Lazim Produk:

S: Apakah maksud "jenis luka 5P10" atau "5P20" dalam jenis luka 5p10 5p20 ct 100 150 400 5a?

J: Istilah "jenis luka" merujuk kepada CT di mana konduktor utama adalah penggulungan luka dan bukannya bar bas atau bar melalui teras. Kelas 5P10 atau 5P20 menunjukkan ketepatan perlindungan: 5P bermaksud ralat sehingga 5% pada arus sekunder terkadar, dan nombor 10 atau 20 ialah gandaan masa pendek maksimum yang dibenarkan bagi arus primer terkadar tanpa melebihi ralat yang ditentukan.

S: Bagaimanakah cara saya memilih penarafan CT yang betul untuk sistem saya?

J: Pilih CT berdasarkan keperluan arus beban maksimum dan perlindungan sistem anda. Sebagai contoh, CT 100/5A sesuai untuk litar dengan arus biasa sekitar 100 A, manakala 400/5A direka untuk penyuap arus lebih tinggi. Pilih kelas perlindungan (5P10 atau 5P20) mengikut sensitiviti pengesanan kerosakan geganti dan arus litar pintas yang dijangkakan.

S: Apakah keadaan persekitaran yang boleh mengendalikan jenis luka 5p10 5p20 ct 100 150 400 5a?

J: Pengubah arus jenis luka ini biasanya dinilai untuk suhu ambien dari –10 °C hingga +40 °C, dengan ketinggian maksimum 1000 m. Bahan perumahan dan sistem penebat direka untuk operasi tahan lembapan, habuk dan pencemaran, untuk memastikan prestasi perlindungan yang boleh dipercayai dalam tetapan industri dan utiliti.




Teg Panas: Jenis Luka 5p10 5p20 Ct 100 150 400 5a, Pembekal Transformer Semasa, Pemborong Transformers Metering
Hantar Pertanyaan
Maklumat Hubungan

Untuk mendapatkan sebut harga anda ASAP

XiFa-pembekal peralatan elektrik anda yang boleh dipercayai
X
Kami menggunakan kuki untuk menawarkan anda pengalaman menyemak imbas yang lebih baik, menganalisis trafik tapak dan memperibadikan kandungan. Dengan menggunakan tapak ini, anda bersetuju dengan penggunaan kuki kami. Dasar Privasi
Tolak Terima