CT Transformer Arus
Resin Cast Electrical Ct Current Transformer
  • Resin Cast Electrical Ct Current TransformerResin Cast Electrical Ct Current Transformer
  • Resin Cast Electrical Ct Current TransformerResin Cast Electrical Ct Current Transformer

Resin Cast Electrical Ct Current Transformer

Wenzhou XiFa Electric Power Equipment Co., Ltd ialah pembuatan profesional untuk menghasilkan resin tuangan pengubah arus ct elektrik yang menggunakan alat suis elektrik 10 kv hingga 35 kv. Di Wenzhou XiFa, pasukan pengeluar yang mengeluarkan resin epoksi dalam persekitaran vakum untuk mengeluarkan buih di bahagian tepi pengubah arus dan menghalang pelepasan separa pada permukaan. Sementara itu, pengubah arus ct elektrik tuang resin direka bentuk sebagai struktur penebat berbilang lapisan untuk mencapai prestasi yang lebih baik pada rintangan voltan dan kestabilan jangka panjang.

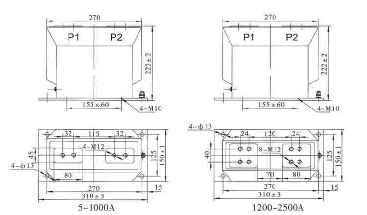
The resin cast electrical ct current transformer is an indoor, epoxy resin, vacuum cast, post type unit designed for 10kv voltage level power systems with a rated frequency of 50 Hz. It is primarily used for current measurement, energy metering, and protective relaying.

The resin cast electrical ct current transformer adopts a fully enclosed epoxy resin casting process, in which the core is made from high grade magnetic material, and both the primary and secondary coils together with the core are embedded in resin. This construction provides excellent performance on insulation, moisture resistance, and pollution resistance. The surface of a resin cast electrical ct current transformer requires no additional coating, and the current transformer can be installed in multiple positions.

The range covers both measuring classes ,such as 0.2S and 0.5S, and protection classes ,such as 10P10 and 10P20. A multi ratio design is available on a resin cast electrical ct current transformer, to make it well suited for use in metal clad electrical panels.

Resin Cast Electrical Ct Current TransformerResin Cast Electrical Ct Current Transformer

Spesifikasi Teknikal:

taip Arus Berkadar Utama (A) Kelas Ketepatan Kelas Ketepatan dan Output Berkadar cosΦ=0.8 Arus terma Masa Shory (kA/S) Nilai Arus Dinamik(kA)
0.2 (s) 0.5 (s) 10P10 10P15 10P20
LZZBJ9-10 5-150 0.2s/0.5 0.2s/10P 0.2/10P 0.5s/10P 0.5/10P 10 10 15 15 10 100I1n 250I1n
200-300 31.5 80
400-500 45 112
600-1000 63 130
1200-1500 80 160
2000-2500 100 180

Resin Cast Electrical Ct Current Transformer

Soalan Lazim Produk:

S: Apakah parameter teknikal yang perlu diperiksa apabila memilih pengubah arus ct elektrik tuang resin?

A: parameter utama berikut hendaklah diperiksa semasa memilih:

1.Kelas ketepatan: Untuk pemeteran/pengukuran (cth. 0.2s atau 0.5) dan tujuan perlindungan (cth. 10P10, 5P10, dsb.).

2. Arus primer dan arus sekunder berkadar (nisbah penjelmaan).

3. Arus terma masa yang singkat (Ith) dan kapasiti menahan arus masa yang singkat (untuk keadaan kerosakan).

4. Tahap penebat (tahanan voltan, penarafan voltan impuls, dsb.).

5. Toleransi alam sekitar: Julat suhu, ketinggian, kelembapan, tahap pencemaran.

6. Beban: beban VA menengah mesti memandu tanpa merendahkan ketepatan.

Q: In what environments or applications are resin cast electrical ct current transformers especially suitable?

J: persekitaran atau aplikasi berikut sesuai untuk pengubah arus ct elektrik tuang resin:

1. Alat suis dalaman, di mana ruang terhad dan penebat adalah penting.

2. Dalam persekitaran yang keras atau tercemar (habuk, lembapan, bahan kimia) di mana bahagian terbuka atau minyak boleh merosot.

3. Dalam pemeteran dan litar perlindungan yang memerlukan pengukuran yang stabil dan tepat dalam tempoh yang lama.

4.Aplikasi di mana penyelenggaraan yang rendah dan kebolehpercayaan yang tinggi adalah penting.

Teg Panas: Pembekal Resin Cast Current Transformer, Pengilang CT Transformer Elektrik, Custom CT Transformer Borong
Hantar Pertanyaan
Maklumat Hubungan

Untuk mendapatkan sebut harga anda ASAP

XiFa-pembekal peralatan elektrik anda yang boleh dipercayai
X
Kami menggunakan kuki untuk menawarkan anda pengalaman menyemak imbas yang lebih baik, menganalisis trafik tapak dan memperibadikan kandungan. Dengan menggunakan tapak ini, anda bersetuju dengan penggunaan kuki kami. Dasar Privasi
Tolak Terima